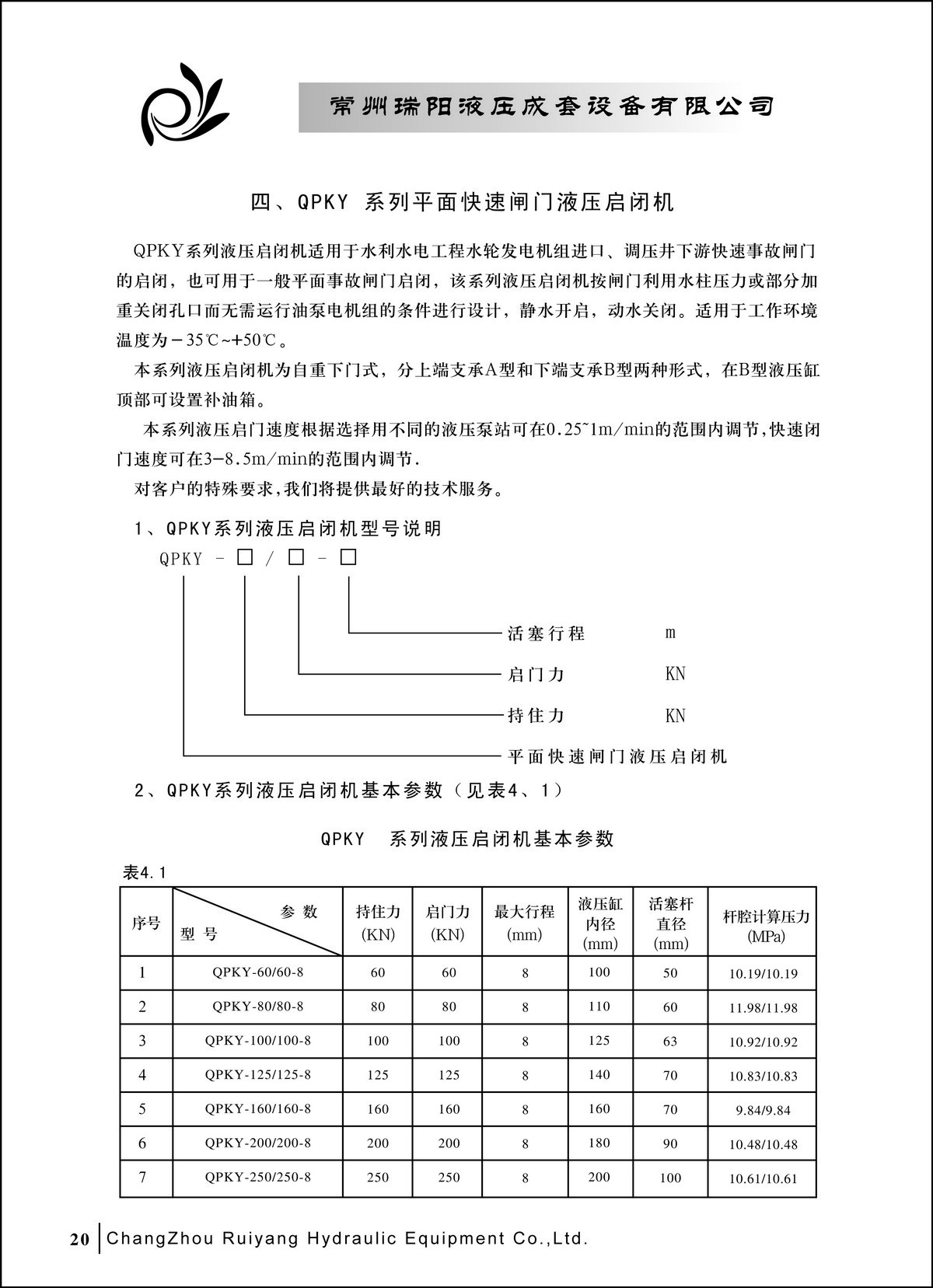
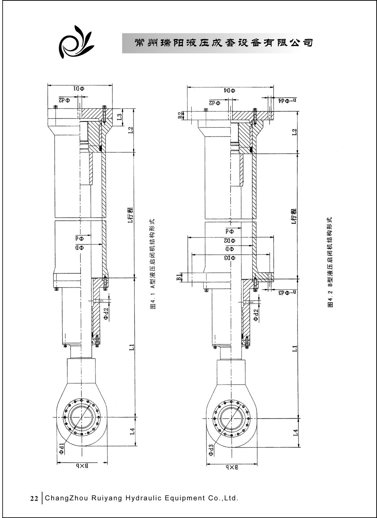
水利水電
聯(lián)系我們




