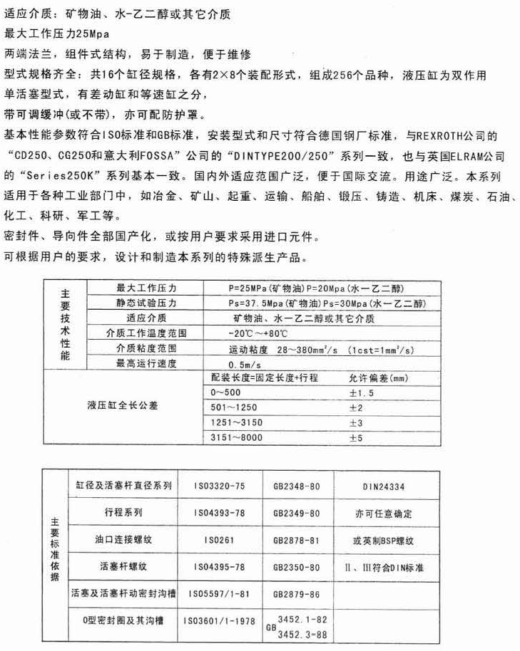
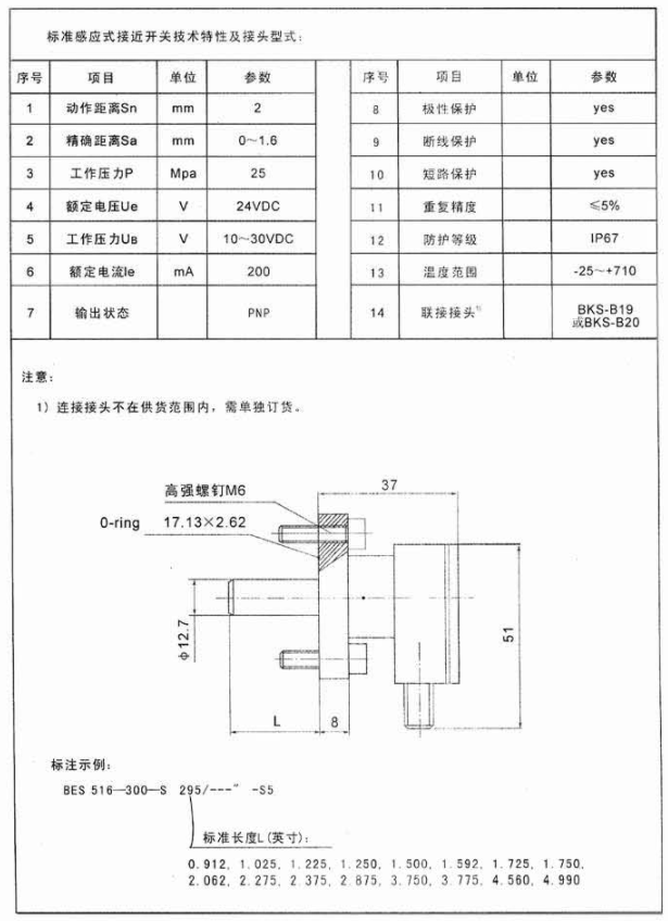
冶金鋼鐵
聯(lián)系我們












